ميجا بانل

MS614

MS614
MS614  
Features
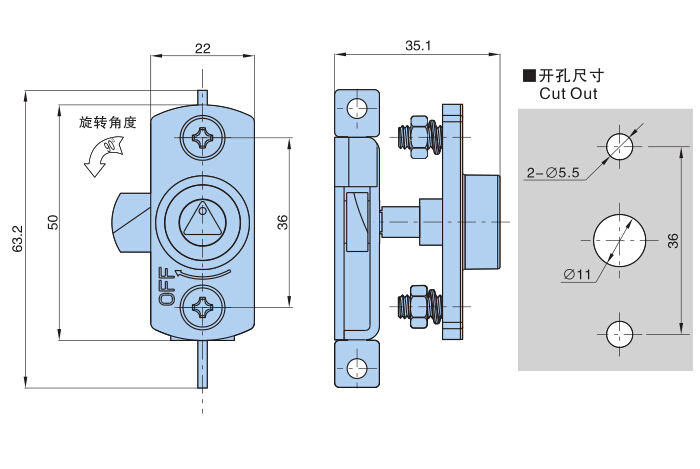
● Material:Stainless steel lock shell、Lock cover,Zinc die-casting seat
● Finsih: brushed
● Panel thickness:1~5mm
Material
● Zinc alloy
● stainless steel
Surface treatment
Use