ميجا بانل

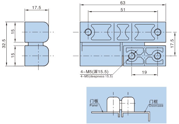
HL019

HL019
HL019  
Features
● Material: Zinc die-casting hinge
● Remark: 180°hinge
Material
● Zinc alloy
Surface treatment
● Plastic Spray
● Electroplate
Use