ميجا بانل

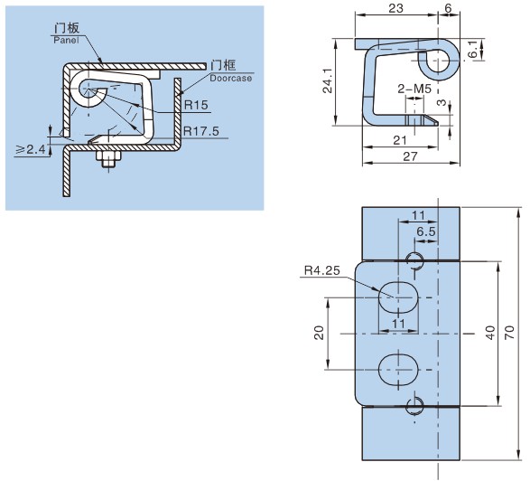
HL043

HL043
HL043  
Features
● Material:Zinc plating steel hinge
● Finish: white zinc plating
● Remark:120°hinge
Material
● A3
Surface treatment
● Electroplate
Use