ميجا بانل

HL141R

HL141R
HL141R   
Features
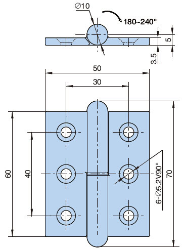
● PMaterial:medium-carbonsteel
● hinge,stainlesssteelforthepin.
● Finish:Electroplating blue and white.
● Remark:180~240°hinge.
Material
● A3
Surface treatment
Use