ميجا بانل

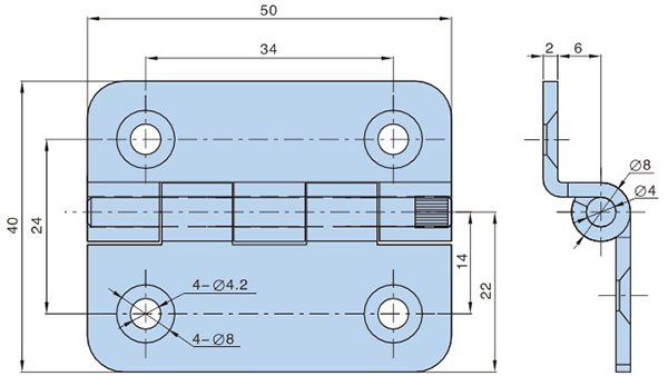
HL074

HL074
HL074   
Features
● Material:Mirror surface stainless steel body
● Finish: drawing
● Remark:180°hinge
Material
● stainless steel
Surface treatment
Use