ميجا بانل

HL129

HL129
HL129
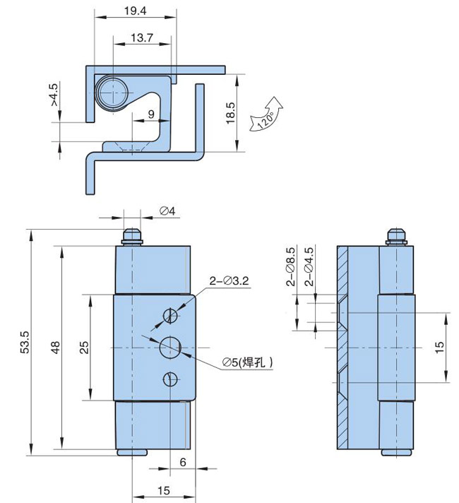
Features
● Material:Stainless steel hing
● Finish:drawing
● Remark:120°hinge
Material
● stainless steel
Surface treatment
Use