ميجا بانل

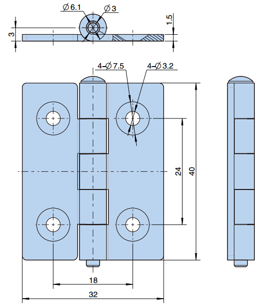
HL153S

HL153S
HL153S
Features
● Material: stainless steel hinge、stainless steel pin
● Remark:180°hinge
● Finish: wire drawing
Material
● stainless steel
Surface treatment
Use