ميجا بانل

JB02

JB02
JB02
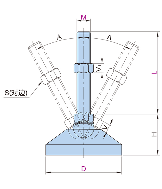
Features
● Material: all stainless steel
● Structure and function: universal
● adjustment type
Material
● stainless steel
Surface treatment
Use